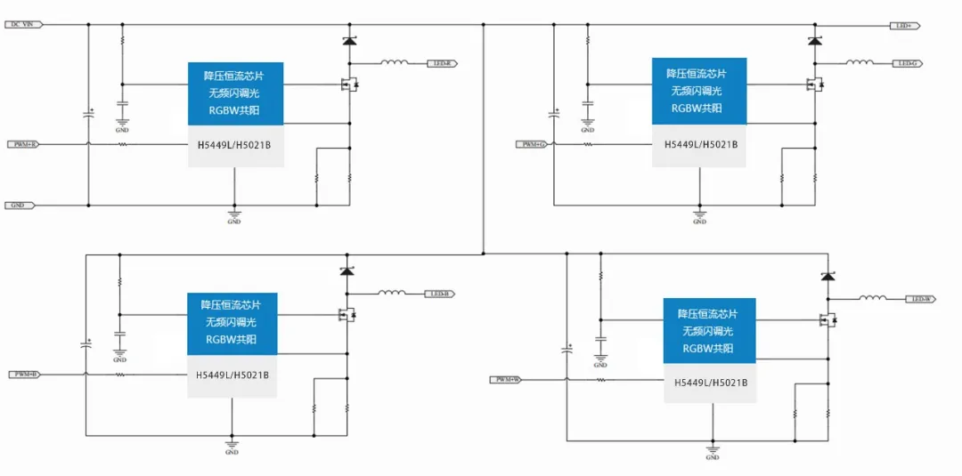
H5449L/H5021B的样板参数设计如下:单路Vin=48V TO Vout=24V 3A。


H5449L/H5021B可做多路共阳极输出,抗干扰强,可实现更高的功率应用和调光效果,可满足12 V 24V 36V 48V 和 200W 300W 500W等大功率应用。
H5449L芯片优势:
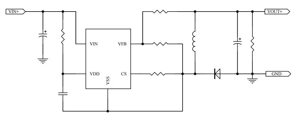
★5-85V宽输入范围,输出电流8A
★PWM+模拟无频闪调光
★低深度调光0.1%,95%高效率
★低亮度调光无抖动,调光平滑无阶梯感
★支持调光高辉度65536级
★集成短路保护和过温保护
★外围电路简单,低成本
★可应用于24V 36V 42V 48V降12V 24V 30V36V大电流、大功率的舞台灯应用
调光曲线:
H5449L可进行PWM调光+模拟调光,可满足多种调光方式的需求,调光顺滑,无频闪。
其他应用:
智能调光照明、电瓶车照明,汽车照明、LCD背光驱动及洗墙灯、景观LED点光源、商业照明、建筑照明
强光手电筒,警示灯、MR-16LED灯等
H5021B芯片优势:
★输出电流可高达5A
★宽压3.6V-85V输入范围
★高效率:最高可达93%以上
★最大工作频率达1MHz
★支持PWM调光和线性调光
★支持关断时间可调
★内置智能温度保护,高温掉电流
★可以共阳做到30W 60W 72W 90W 100W 120W等大功率应用
★可满足12V 24V 36V 48V等舞台灯调光应用
调光曲线:
H5021B调光细腻顺滑无阶梯感,无频闪,可做多路共阳极输出,抗干扰强。
其他应用:
自行车、电动车、摩托车等车灯应用、强光手电、LED射灯、大功率LED照明、LED背光驱动等